Ceci est une ancienne révision du document !


Centrale pour mobil home

Description

Cette centrale pour mobil-home doit remplir quelques fonctions et pouvoir communiquer avec une centrale ou un logiciel distant.
La centrale sera sous secteur mais devra pouvoir fonctionner hors secteur. Ceci durant un minimum de 5jours.
Elle a une série de capteurs qui informeront l'état du mobil-home, elle pourra recevoir des ordres à distance.

Les fonctions

Elles pourront donner la température et l'humidité avec alarme du gel.
Détecter les intrusions.
Vérifier si le secteur est présent avec alarme en cas de perte (pour le frigo, congl)
Détecter les incendie avec alarme.
Informer sur la batterie avec alarme si elle est basse.

Capteurs

Mesure de température et humidité.
PIR pour la détection.
Capteur incendie.
Capteur de secteur (avec consommation ?)
Capteur de tension de batterie.

Technologie employée

La centrale pourra être un circuit indépendant qui enverra les données via un modem.
La batterie sera rechargé par le secteur et sinon par un petit panneau solaire.
Hors tension un circuit timer “allumera” la centrale et le modem régulièrement. Mais si on veut des alarmes, le mode deepsleep serait plus indiqué.
La techno du modem déterminera celle de la centrale et des capteurs.
Nous avons soit un modem wifi/série→GSM, soit un modem meshtastic, soit par NB‑IoT ou LTE‑M .

TESTS à faire ou doc à rechercher

- Rechercher comment faire un routeur wifi/gsm avec un esp32-wrover.

il y a : https://github-com.translate.goog/martin-ger/esp32_nat_router?_x_tr_sl=en&_x_tr_tl=fr&_x_tr_hl=fr&_x_tr_pto=sc \\
Le problème est que le wifi est super lent !\\

- Modem GSM par SMS :

Léger à mettre en œuvre, facile a gérer pour la batterie, un circuit esp32-wrover pour tout le circuit. \\
Pb pour la réception des SMS sur HA, pas de solution par internet. Il existe sms2mqtt/Gammu via une clé GSM (2 abonnements bloqués) \\
**Pour ces 2 solutions il faut tester la durée de fonctionnement de la batterie sur l'esp** \\

- Modem wifi/4G :

Permet de fourni du wifi au mobil, réception simple par mqtt sur HA, permet des capteurs wifi. \\
Consomme pas mal, bloque un abonnement pour le mobilH, voir si on peu "endormir/réveiller le modem avec la centrale (test) \\

- Meshtastic :

TESTS à faire! \\
- Voir si les noeuds peuvent joindre entre le mobilH et la maison. \\
- Test de réception sur wifi de la maison et transfert sur HA.\\

- Lora VTT ou lorawan :

TESTS : découvrir la techno, tests de faisabilité. \\
Test interrogation du serveur par HA. \\
AVANTAGES: pour LORA modules dispo. \\

- NB‑IoT ou LTE‑M :

Nouvelle techno utilisant le réseau GSM en base fréquence.\\
Demande une carte SIM ioT, donc abonnement et frais.

Feuille de route

- Test de Meshtastic:

Voir si il y a des noeuds, \\
Sur les sites [[https://map.gaulix.fr/]] [[https://meshtastic.liamcottle.net/?lat=45.357935410672084&lng=365.7211303710938&zoom=10]]  on voit les noeuds disponible autour de Grenoble.\\
Le plus prometteur est le noeud à St Nizier qui a une vu importante sur les alentours de Grenoble.

Monter un récepteur vers wifi \\
J'ai fait des tests avec 2 modules healtec SX1276 ESP32 LoRa 868MHz. Malheureusement ces modules n'étant pas de bonne qualité et ne supportant que les versions très ancienne de meshtastic, les tests se sont avérés décevant. Parmi les problèmes rencontrés, il y a une faible portée pour le wifi, une corruption rapide de la mémoire flash (plusieurs reprogrammations ont suffit) cela se traduit par des impossibilités de changer la configuration, Un écran fragile, une simple pression un peu forte pour en-clipser le module dans un boîtier a suffit.

test d'envoi de data depuis le mobilH\\
Au vu des soucis rencontrés, j'ai laissé de coté cette solution.

- Créer la centrale :

2 modèles, esp32 ou arduino mini/nano. \\
L'ESP permet le wifi, donc OTA, web, 2 interfaces série donc conso secteur, quiz de la consommation ? 
l'arduino simple à mettre en oeuvre, rf433 pour capteurs (comme l'esp)

Solution retenu

Etant donné que je veux des alarmes, il me faut une solution stable et fiable.
Je me suis amusé a demander à l'IA “Claude” comment réaliser ce projet, vous trouverez le résultat ICI]\\ Ce résultat me convient, je vais donc le suivre.\\ Je vais utiliser le protocole LTE-M, j'ai une carte LILYGO T-A7670E R2 4G LTE sans GPS. Avec une carte SIM de thethings mobile [[https://www.thingsmobile.com/fr/private/shop?action=payinpage_end&PaymentID=262890_pPRMPazHWO je peu envoyer des données directement à Homeassistant par mqtt ( a tester! ).
La carte a un ESP32 ce qui permet de connecter plusieurs capteurs et pour une continuité des alarmes, peut utiliser le mode deepsleep.

Pour la partie alimentation, une petite alim de 5V >3A devrait suffire, un petit panneau solaire 5V 20W servira de soutien à un pack de batterie.
Les batteries m'ont posé un problème, quelle type utiliser ? où les trouver ? …
Du coup je me suis dirigé vers un pack de batterie utilisé pour recharger les téléphones, j'ai opté pour un pack a faire soit même, comme ça on connais la puissance.

Pour les capteurs, température, humidité et luminosité seront via un bus I2C. Je pourrais ajouter un petit écran si besoin est.
le pir sera un classique HC-SR501, pour le détecteur d'incendie, je vais essayer de récupérer une info depuis un capteur du commerce qui traîne dans mes tiroirs.

Pour la consommation d’électricité, un PZEM0004T avec une self de capture devrait faire affaire. La détection du secteur se fera par un petit montage sur plaque à trou.
Une Led RGB montrera les différents états du circuit.

Fonctionnement général

Quand le circuit sera sous secteur, il fonctionnera en permanence avec des remontés d'infos régulières.
Le code envoie automatiquement :
- Toutes les 10 min si alimentation secteur présente
- Toutes les 60 min si sur batterie
- Immédiatement en cas d'alerte (PIR ou incendie)
Avec le secteur il y a une signalisation avec une led RGB. États de la LED :
🔵 Bleu clignotant → Connexion LTE-M
🔵🟢 Cyan clignotant → Connexion MQTT
🟢 Vert fixe → Connecté, alarme OFF
🟠 Orange fixe → Connecté, alarme ON
🔴 Rouge clignotant → Erreur
🔴 Rouge rapide → Alerte !
⚫ Éteinte → Sur batterie
```

Sur batterie, il sera alimenté par les batteries extérieures et une fois vide par la batterie du circuit.
“Claude” estime la consommation moyenne à 150-300mA, J'ai un pack de batterie (chargé) de 8x 3500mA = 28A, avec une consommation moyenne de 300mA en fonctionnement normal et ~20µA en deepsleep, on obtient sous batterie : (Calcul par IA !)
Par heure 300mA- 5min et 20µA 55min.
La tension de fonctionnement est de 5 V, avec un BMS qui coupe à 3 V minimum. Cela réduit la capacité utilisable de la batterie de 28 Ah, car la décharge ne peut pas aller jusqu'à 0 V, impactant la durée de vie estimée.
Capacité utilisable :
Pour une batterie passant de 5 V à 3 V (delta de 2 V sur 5 V, soit 40% utilisable), capacité effective : 28×0,4=11,228×0,4=11,2 Ah. En As : 11,2×3600=4032011,2×3600=40320 As. Calculs ajustés :
Consommation par cycle reste 90,066 As. Nombre de cycles : 40320/90,066≈44840320/90,066≈448. Temps total : 448×3600/3600≈448448×3600/3600≈448 heures (18,65 jours).

Le panneau solaire de 5 V et 20 W, incliné à 45° parallèle (interprété comme orientation parallèle au sol à 45° de latitude), recharge la batterie en complément. Avec un ensoleillement moyen en Rhône-Alpes (~3,5-4 h/jour équivalent plein soleil), la production nette prolonge largement la durée de vie au-delà des 18,65 jours sans soleil.
Production solaire estimée :
Puissance nominale : 20 W à 1000 W/m² (STC). À 45° d'inclinaison (non optimale : idéal ~35-40° sud en hiver), facteur ~0,85-0,9 (cosinus + pertes). Courant typique : 20/5=420/5=4 A max. Énergie/jour : 20×3,75×0,85=63,7520×3,75×0,85=63,75 Wh, soit ~12,75 Ah à 5 V (rendement 80% MPPT supposé).
Consommation quotidienne :
Cycle complet (24h) : 24 cycles × 90,066 As = 2161,6 As/jour (~0,6 Ah/jour à 5 V). Panneau compense largement : surplus ~12 Ah/jour.
Durée avec recharge :
Autonomie quasi illimitée (>1 an) par temps ensoleillé ; ~30-50 jours par temps nuageux (1-2 h/jour). Facteurs limitants : saisons (moins en hiver), poussière, efficacité réelle ~70-80%.

Matos

1x TTGO T-A7670E (esp32, gsm A7670E)
1x TSL2561 (luminosité)
1x BME280 (temp, humidité)
1x HC-SR501 (PIR)
1x détecteur de fumée (lidl)
1x 6N138 (opto dans tiroir)

1x Alim 5V 5A
1x pack batterie à monter
8x 18650 Li Ion 3.7v 3500mA
1x panneau solaire 20W

Photos :



Schémas

Le schémas pour la détection secteur :

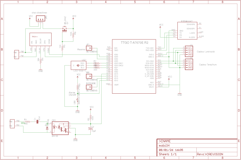
Le schémas final :

Dans le schémas principal on voit une option avec un TPL5110.
Le TPL5110 est un timer ultra basse consommation (35nA !) qui peut :
- ✅ Couper complètement l'alimentation d'un circuit
- ✅ Le rallumer après un délai programmable (100ms à 2 heures)
- ✅ Économiser 99.9999% d'énergie pendant le sleep
- ✅ Plus efficace que le deep sleep ESP32
J'ai prévu 3pins et un cavalier pour utiliser, soit le TPL, soit en direct avec deepsleep.
Avec ce type de circuit on peut atteindre un fonctionnement sur batterie très long. Mais on ne peut pas réveillé le montage en cas d'alarme.

Programme

projets/centralemobilh.1767890777.txt.gz · Dernière modification : de chef
CC Attribution-Share Alike 4.0 International
www.chimeric.de Valid CSS Driven by DokuWiki do yourself a favour and use a real browser - get firefox!! Recent changes RSS feed Valid XHTML 1.0